Штатив У4 без держателя
Описание
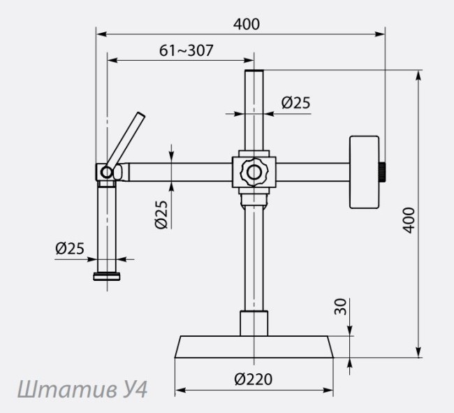
Специальный противовес на горизонтальной штанге позволяет уменьшить размеры основания, а также свободно вращать микроскоп вокруг оси вертикальной штанги во время работы.
Для использования понадобится держатель с грубой или с грубой и точной фокусировкой для СМ/МВ. Держатель устанавливается на палец штатива диаметром 25 мм. Размер посадочного места для оптической головы:
- для стереомикроскопов (СМ) — 76 мм, держатели ДГ-76 и ДГТ-76;
- для моновидео (МВ) — 45 мм, держатели ДГ-45 и ДГТ-45.
Для организации качественного освещения рабочей поверхности используйте осветители Альтами.
Характеристики
| Производитель | Альтами |
Штатив У4 без держателя отзывы
Об этом товаре отзывов пока нет. Будьте первым!
Документы
Поделиться:
С этим товаром обычно покупают
Рекомендуем посмотреть












